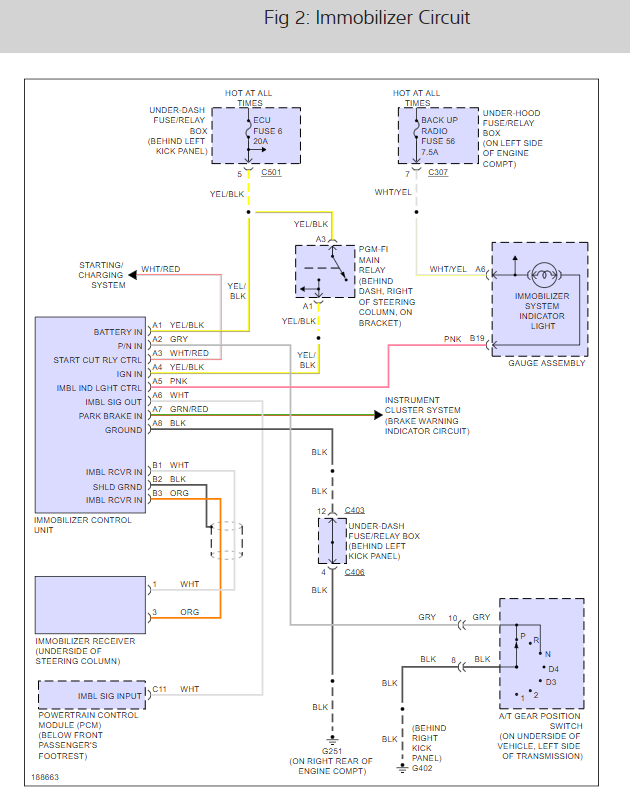
2002 Acura Rl Immobilizer
"Repair Guides, Acura 3 2 TL Service Repair Manual 2002 , AutoProPAD: Stop the Multi Machine Madness, 2010 Chevrolet Cruze Workshop Manual Download OEM WorkShop, Green Light Not Turning On: When I Put the Key the Green , Alarm Auto Watch Diagram Car Wiring 280rli autowatch , Automotive Locksmith 617 238 1371 Replacement Car Keys, Repair Guides Wiring Diagrams Wiring Diagrams 2 Of , 1999 Acura TL Pictures CarGurus, , , , , , , , "
Best Post
Popular Post
✔ 2006 acura mdx gas mileage
✔ 2002 acura tl maintenance schedule
✔ 2008 acura mdx gas type
✔ 1995 acura integra power steering pump
✔ Atlp acura tl
✔ Acura dealership lawrenceville nj
✔ Acura ilx lease deals nj
✔ Acura rt 18 east brunswick
✔ 2003 acura cl manual transmission fluid
✔ Acura radio code lost
✔ Acura rsx type s for sale craigslist
✔ 2008 acura rdx no heat
✔ 2006 acura tl accessories
✔ 2012 acura tsx weight
Best Post
Popular Post
✔ Audi A3 For Sale In Gauteng Cars Co Za
✔ Audi A6 Estate Price Uk
✔ How Much Is The New Bentley Exp 100 Gt
✔ Alfa Romeo 8C Spider
✔ Audi R8 2017 Price Philippines
✔ Used Audi Q3 Baton Rouge
✔ Alfa Romeo Stelvio For Sale Ireland
✔ Audi Q7 Interior Fan
✔ Audi Q7 2019 Edmunds
✔ Bentley Brooklands For Sale
✔ Bentley Hyundai Huntsville Al








