1996 Acura Integra Yellow



"Acura Integra Diamond Racing 15x8 0, integra Car Stock Photos Kimballstock, Sell used 1996 Acura Integra LS JDM Motor B20B Swap , The car to have in high school I didn't have one 2000 , Acura Integra Diamond Racing 15x8 0, 1996 Acura Integra GSR from Fast and Furious for Sale for , 01 Integra Cluster Into 00 Civic Wiring , 1989 Acura Integra Fuel Pump: Just Put a Used 76k Engine , Acura Integra Fog Lights Fog Lights for Acura Integra, Swerve's 1996 Integra : ClubIntegra com Acura Integra , Refresh of 94 Civic Si w ABS after accident Page 4 , rt_lova 1991 Dodge Stealth Specs Photos Modification , Honda Civic Specs Photos Modification Info at , pacman2k5 1992 Honda AccordEX Sedan 4D Specs Photos , HondaShowOff 1996 Honda Civic H22a Hatchback, Automotive Accessories Exterior Accessories Under Hood , Other Honda's"

Acura Integra Diamond Racing 15x8 0

Acura Integra Diamond Racing 15x8 0

Integra Car Stock Photos Kimballstock

Integra Car Stock Photos Kimballstock

Sell Used 1996 Acura Integra Ls Jdm Motor B20b Swap

Sell Used 1996 Acura Integra Ls Jdm Motor B20b Swap

The Car To Have In High School I Didn T Have One 2000

The Car To Have In High School I Didn T Have One 2000

Acura Integra Diamond Racing 15x8 0

Acura Integra Diamond Racing 15x8 0

1996 Acura Integra Gsr From Fast And Furious For Sale For

1996 Acura Integra Gsr From Fast And Furious For Sale For

94 97 98 01 Integra Cluster Into 92 95 96 00 Civic Wiring

94 97 98 01 Integra Cluster Into 92 95 96 00 Civic Wiring

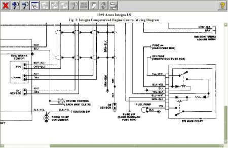
1989 Acura Integra Fuel Pump Just Put A Used 76k Engine

1989 Acura Integra Fuel Pump Just Put A Used 76k Engine

Acura Integra Fog Lights Fog Lights For Acura Integra

Acura Integra Fog Lights Fog Lights For Acura Integra

Swerve S 1996 Integra Clubintegra Com Acura Integra

Swerve S 1996 Integra Clubintegra Com Acura Integra

Refresh Of 94 Civic Si W Abs After Accident Page 4

Refresh Of 94 Civic Si W Abs After Accident Page 4

Rt Lova 1991 Dodge Stealth Specs Photos Modification

Rt Lova 1991 Dodge Stealth Specs Photos Modification

91 Dx 2001 Honda Civic Specs Photos Modification Info At

91 Dx 2001 Honda Civic Specs Photos Modification Info At

Pacman2k5 1992 Honda Accordex Sedan 4d Specs Photos

Pacman2k5 1992 Honda Accordex Sedan 4d Specs Photos

Hondashowoff 1996 Honda Civic H22a Hatchback

Hondashowoff 1996 Honda Civic H22a Hatchback

Automotive Accessories Exterior Accessories Under Hood

Automotive Accessories Exterior Accessories Under Hood

Other Honda S

Other Honda S

Silver Year 2005 Make Mercedes Benz Model M Class Miles 94171

Silver Year 2005 Make Mercedes Benz Model M Class Miles 94171

✔ 2014 Bentley Mulsanne
✔ Aston Martin Vanquish 2019 Precio
✔ Aston Martin Db9 Top Speed
✔ Bentley Continental Gtc Occasion
✔ 2002 Aston Martin Db7 Vantage Coupe
✔ 2020 Audi Rs6 Avant Price Canada
✔ Red Black Alfa Romeo
✔ 1987 Alfa Romeo Spider Wiring Diagram
✔ Audi A8 W12 For Sale Uk
✔ Aston Martin Vanquish Zagato Autotrader

sum+=1 -->